<!--StartFragment-->
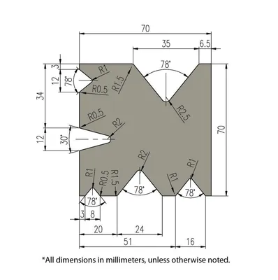
<ul><li>Built from name-brand parts and steel plate, this Industrial Press Brake will stay rigid and accurate. You can program the bend depth and back gauge for efficient production.</li><li>50 tons of pressure</li><li>78” table length</li><li>Controller stores 40 programs</li><li>Vickers/Eaton pump and NOK seals</li><li>Delivers 50 tons of pressure over its entire 78” length.</li><li>Long enough to bend 6-foot pieces of mild steel.</li><li>Runs on 220-volt 3-phase power.</li><li>Prop 65: Cancer and Reproductive Harm</li><li>Industrial-grade hydraulic system with a Vickers/Eaton pump will last for many years at peak capacity.</li><li>NOK hydraulic seals from Japan are some of the best in the industry. They'll help the hydraulics run smoothly.</li><li>Torque tube connects the 2 hydraulic cylinders, so they always stay synchronized and parallel to the bending table.</li><li>Chain drive linkage keeps hydraulic cylinders in time with each other, so the machine remains balanced and lasts longer.</li><li>Hydraulic cylinders are in the back of the machine for convenient fluid changes.</li><li>Accurate, User-Friendly Control System:<br><ul><li>Runs in single-bend mode or programmable mode.</li><li>Comes standard with 2 axes of control: stroke and back gauge distance.</li><li>Simple controller is so intuitive that you could train someone to use it in 5 minutes.</li><li>Programmer stores up to 40 programs with up to 25 bends per program, great for saving time on production.</li><li>Bending is accurate to +/- .01mm, ensuring that parts come out right the first time.</li><li>Main electrical components made in Germany by Weidmueller and Schneider will give you years of trouble-free productivity.</li><li>Foot pedal brings the stroke up and down. Just input your specs on the controller, then press the pedal for each bend.</li><li>You can make a complete part without touching the controller. Push the metal in while pressing the foot pedal.</li><li>Choose between 2 speeds: a rapid approach and retract and a slow bending speed.</li><li>Faster speed option lets you reduce cycle times and bend more quickly.</li><li>Chain drive back gauge system uses tried-and-true technology that you can easily maintain.</li><li>The 23" back gauge can advance or retract according to programmed instructions.</li></ul></li><li>Rigid Steel Construction and Included Tooling:<ul><li>Fully welded all-steel framework helps prevent deformation and minimize flex during the bending process.</li><li>Weighs a robust 6,000 lbs. for massive structural strength that ensures accurate results.</li><li>Includes support arms around 2 feet in length.</li><li>Comes standard with tooling: a multi-Vee bottom die and gooseneck punches (European Style).</li><li>Quick-release tool holders let you make changes easily. You only have to open a lever and it drops the top die out. No time-consuming cap screws!</li><li>Crowning adjustment dial gives you the option to deliver more pressure in the center of a bend for consistency all the way across.</li><li>Safety light curtains prevent the machine from bending when someone is too close.</li><li>Light curtains will swing open and get out of the way when you’re doing a tool change.</li></ul></li><li>Fast Shipping and Expert After-Sale Care:<ul><li>This hydraulic press brake ships fully assembled. Just uncrate it, plug it in, and get started.</li><li>We keep machine handling to a minimum to reduce the risk of damage. The flatbed truck that leaves our facilities is the one that shows up at your door.</li><li>Replacement parts are in stock at our Wisconsin headquarters, so we can get them to you quickly.</li><li>We offer a 1-year parts warranty, as well as lifetime technical support by phone.</li><li>You can contact us any time to talk with service reps who have years of industrial experience.</li></ul></li></ul>
<!--EndFragment-->